DEVICE: MAGNETRON
BRAND: JRC
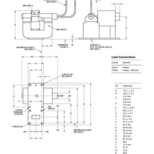
TYPE: M1517N – M5187F
This Part JRC M1517N – M5187F MAGNETRON FOR RADAR. When your radar echoes and tune bar goest to weakness you have to check your magnetron TX time. If your radar TX Time over 5.000 Hours, you have to change your magnetron with the new one. Your technician can change radar magnetron and carbon brushs easyly. We offer global supply services and comprehensive support at all Turkish ports. Feel free to contact us anytime.















