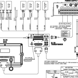
DEVICE: AIS, AUTOMATIC IDENTIFICATION SYSTEM
BRAND: SAMYUNG
TYPE: SI-30
This unit inculeded AIS Transceiver, AIS Display, AIS GPS Antenna and AIS TRX Antenna. We can supply to world wide and we can give service in all Turkey Ports. Keep in touch with us.











