DEVICE: MAGNETRON
BRAND: JRC – NISSHINBO
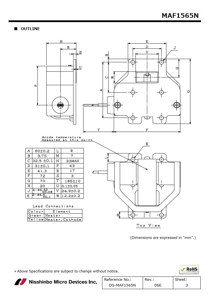
TYPE: MAF1565N
MAF1565N X-Band Magnetron – 10kW High-Power Radar Solution
The MAF1565N is a high-performance X-band magnetron designed specifically for radar systems. Operating in the fixed frequency range of 9380–9440 MHz, it delivers up to 10kW peak output power, making it ideal for use in marine, airborne, and defense radar applications where precision and reliability are critical.
Key Features
– Fixed frequency range: 9380–9440 MHz
– High peak output power: 10.5 kW typical
– Stable performance for X-band radar systems
– Compact and rugged construction
– Optimized for long lifecycle and consistent output
Technical Specifications
| Parameter | Minimum | Typical | Maximum | Unit |
|---|---|---|---|---|
| Heater Voltage | 6.0 | 6.3 | 6.6 | V |
| Heater Current | 0.5 | 0.55 | 0.6 | A |
| Preheat Time | 65 | – | – | s |
| Peak Anode Voltage | 5.4 | 5.6 | 6.0 | kV |
| Peak Output Power | 10.0 | 10.5 | – | kW |
| Operating Frequency | 9380 | 9410 | 9440 | MHz |
Absolute Maximum Ratings
| Parameter | Minimum | Maximum | Unit |
|---|---|---|---|
| Peak Anode Current | 3.7 | 6.2 | A |
| Average Anode Power Input | – | 40 | W |
| Duty Cycle | – | 0.001 | – |
| Pulse Duration | 0.07 | 1.25 | μs |
| Voltage Pulse Rise Rate | – | 80 | kV/μs |
| Anode Temperature | – | 100 | ℃ |
| VSWR at Output Coupler | – | 1.5:1 | – |
Applications
– X-band radar transmitters
– Military and defense systems
– Air traffic control radar
– Marine navigation radar
Optimize your radar performance with the reliable and powerful MAF1565N magnetron. We offer global supply services and comprehensive support at all Turkish ports. Feel free to contact us anytime.








