DEVICE: RADAR
BRAND: JRC
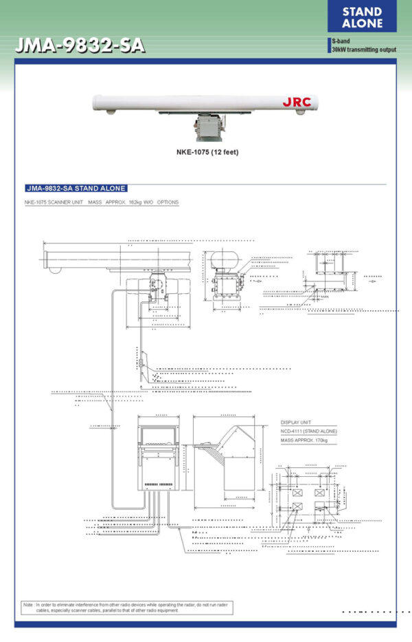
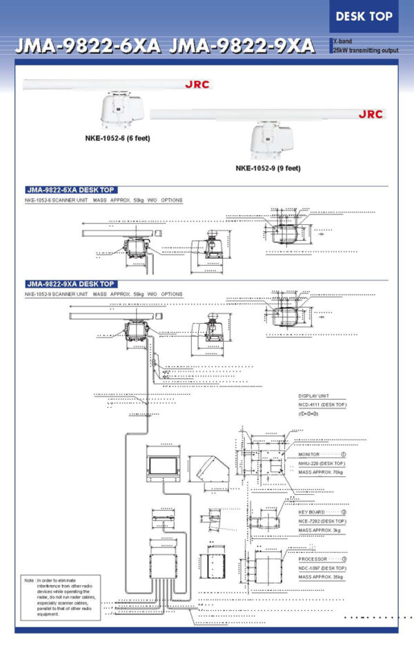
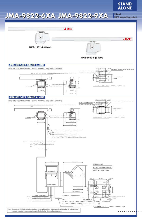
TYPE: JMA-9800
This marine radar is JRC JMA-9800. We have Display unit, control, scanner unit, magnetron and all spare unit. We offer global supply services and comprehensive support at all Turkish ports. Feel free to contact us anytime.




























